Opis
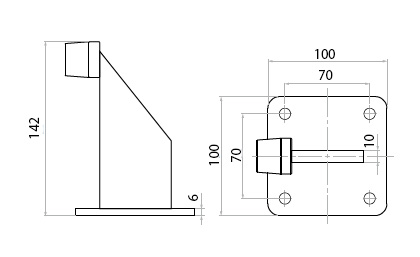
Przykręcany do podłoża na 4 śruby stoper ocynkowany, służy do ograniczenia bramy skrzydłowej w wymaganym miejscu jej zatrzymania.
Ogranicznik bramy lub furtki służący jako krańcowy – odbój.
Wykonany jest ze stali ocynkowanej, zakończony gumową nakładką, chroniąca miejsce styku z bramą przed zarysowaniem powierzchni.
Najważniejsze cechy produktu:
- przykręcany na cztery śruby
- wysokość do środka odboju: 130mm
- wymiary podstawy: 100x100mm
- otwory montażowe 4x ø10mm






